Dreiphasenstelltransformatoren mit Motorantrieb
Ausgestattet mit allen Vorteilen der Ringkernstelltransformatorenserie kommt der motorisierte Antrieb hinzu. Hiermit können die Anlagen geregelt und gesteuert werden. Auf diese Weise die Unterschiedlichsten Anforderungen erfüllen. Durch Digitale Schnittstellen der Motorsteuerungen können die Transformatoren direkt in Anlagenprozesse integriert werden.
Allgemeine Technische Daten
| Schutzgrad: | IP 00 |
| Isolierklasse: | B |
| ]max. Umgebungstemperatur: | +45°C |
| Prüfspannung Wicklung - Welle: | 4 kV |
| Frequenz: | 50/60 Hz |
| Nenneingangsspannung: | 3x 400V |
| Aufstellhöhe: | 1000 m |
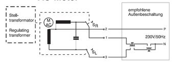
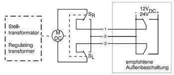
| Motorantrieb: | 24V/ 12V DC |
| 230V AC | |
| Stellzeit pro Umdrehung: | ca. 15s |
| Zertifizierung: | CE, RoHs |
Auswahl Dreiphasensparstelltransformator nach Stromstärke
1. Eingang und Ausgangsspannung wählen
2. Wählen der benötigten Stromstärke via Sortierung
3. Für Abmessung auf Typ klicken
Spannung Eingang 3x 400 V; Ausgang 1,5 bis 400 V/ 430 V
| Typ | Ausgangsspannung in V | Ausgangsstrom A | Bauart |
|---|---|---|---|
| DSS 9020 M AC oder DC | <1,5...400/430 | 2 | A |
| DSS 9032 M AC oder DC | <2,5...400/430 | 3 | A |
| DSS 9032 M AC oder DC | <2,5...400/430 | 4 | A |
| DSS 9020 M AC oder DC | <1,5...400/430 | 2 | D |
| DSS 9032 M AC oder DC | <2,5...400/430 | 3 | D |
| DSS 9040 M AC oder DC | <2,5...400/430 | 4 | D |
| DSS 9063 M AC oder DC | <3,5...400/430 | 6 | D |
| DSS 9080 M AC oder DC | <3,5...400/430 | 8 | D |
| DSS 9100 M AC oder DC | <3,5...400/430 | 10 | D |
| DSS 9180 M AC oder DC | <4,5...400/430 | 18 | D |
| DSS 9200 M AC oder DC | <4,5...400/430 | 20 | D |
| DSS 9250 M AC oder DC | <4,5...400/430 | 25 | D |
| DSS 9340 M AC oder DC | <4,5...400/430 | 34 | D |
| DSS 9380 M AC oder DC | <4,5...400/430 | 38 | D |
| DSS 9480 M AC oder DC | <4,5...400/430 | 48 | D |
| DSS 9570 M AC oder DC | <4,5...400/430 | 57 | DE |
| DSS 9720 M AC oder DC | <4,5...400/430 | 72 | DE |