Einphasenstelltransformatoren ESS mit 3 Punkt Befestigung
Technische Daten
| Schutzgrad: | IP00 |
| Isolierklasse: | B |
| Umgebungstemperatur: | max. +45°C |
| Prüfspannung Wicklung-Welle: | 4 kV |
| Frequenz: | 50/60 Hz |
| Drehwinkel: | 320 ° |
| Stellgeschwindigkeit: | <15s |
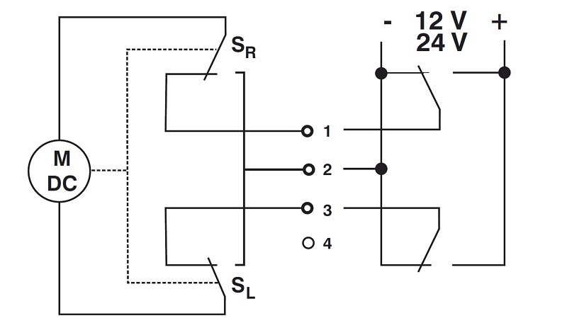
| Motoranordnung: | innenliegend |
| Konformität: | CE, RoHS |
Abmessungen 3-Punkt-Befestigung
| Typ | a (in mm) | b (in mm) | c (in mm) | d (in mm) | g (in mm) | Masse (in kg) |
|---|---|---|---|---|---|---|
| ESS 502 M/DC | 116 | 96 | 106 | - | - | 2,45 |
| ESS 602 M/DC | 116 | 96 | 106 | - | - | 2,45 |